咨詢熱線
15053366601
![]() |
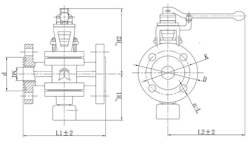
PFA襯里不銹鋼取樣閥 PFA Lined Stainless Steel Sampling Valve 此取樣閥提供了一個簡單、安全的采樣方式,對樣品取樣達到零污染水平。閥門本質是針形閥,用于在控制流量的條件下從管道中取樣。在設計上安排了多重密封結構(已申請專利),以實現壓蓋部分零泄漏。物料與閥體內部接觸材料均為PFA材質,保證其耐腐蝕性,其余部件材質采用不銹鋼制造,達到閥門的內外表面都具有良好的衛生潔凈度,從而在需要清潔工作的環境中最大限度地減少污染。閥門上方設有下壓操作手柄,可輕松小心打開閥門取樣。通過適配不同取樣瓶四氟座安裝硼硅酸鹽玻璃瓶可以用于水平或垂直管道系統中。在操作把手和閥體機架處設有安全鎖孔,防止無關人員進行隨意操作,現場控制更安全。
The sampling valve provides a simple and safe sampling method which has zero contamination to the samples. It is actually a needle valve, which is used to take samples from the pipeline under the condition of controlled flow. Multiple sealing structures (patented) are designed to achieve zero leakage in gland. The valve body contacting with sampling medium is made of PFA to ensure its corrosion resistance and the rest of the components are made of stainless steel, so that the inner and outer surfaces of the valve have good hygiene and cleanliness, which minimizes contamination in environments where clean work is required. There is a push-down operating handle above the valve, which can easily and carefully open the valve for sampling. Borosilicate glass bottles can be used in horizontal or vertical piping systems by fitting different sampling bottles with Teflon seats. Safety keyhole is provided at the operating handle and valve body frame to prevent irrelevant personnel from arbitrarily operating, and the on-site control is safer .

PFA襯里不銹鋼取樣閥尺寸及規格:



更多關于PFA襯里不銹鋼取樣閥的情況,歡迎您隨時電話咨詢15053366605(韓經理)15053366601(張經理)

公司名稱:淄博太極工業搪瓷有限公司
聯系人: 張亮經理
手機:15053366601
郵箱:15053366601@tjtbl.com
網址:www.artplateno.com
---------------------------------------
聯系人:
手機:
郵箱:
郵編:256414
